“This economy does not compute.” (The New York Times, 2008) … “Economics needs a scientific revolution.” (Nature, 2009) [1]
Índice de la serie y enlaces
Lamentablemente los economistas, cuya pretensión es controlar una economía repleta de lazos de realimentación para mantenerla en un equilibrio creciente en actividad, no dominan la formulación matemática de la teoría de sistemas, y por tanto tampoco la teoría de control[2] (316). La inmensa mayoría no saben ni tan sólo de su existencia. Una excepción cercana es Santiago Niño Becerra, que empleó esta técnica de ingeniería para el análisis de un sector económico español en su tesis doctoral en los años 70 (317). Otra excepción es el departamento de gestión empresarial del Massachusetts Institute of Technology (MIT), donde se elaboró el modelo World3, que posteriormente dio origen al informe LLDC. Una última, más reciente (los 90), está personalizada por Thomas S. Fiddaman, quien en su tesis doctoral – también en el MIT – buscando respuestas al cambio climático evaluó los lazos de realimentación entre energía y economía y evidenció, una vez más, el problema de las inercias socioeconómicas que introducen retardos (318).
Ocurre que para los economistas el equilibrio debe tener lugar en forma de crecimiento exponencial (mismo porcentaje cada año). Mientras que, para el resto de los mortales, esa es una forma matemáticamente cierta de desequilibrar cualquier cosa. Ellos pueden escudarse en que los límites todavía quedan lejos, pero un objetivo de esta serie de textos es examinar documentadamente hasta qué punto esta afirmación es cierta. Para ello nos preguntaremos qué indicadores son válidos y cuáles no. Y cuál es su magnitud (319).

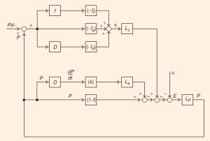
Sistema de control PID del sistema económico diseñado en 1957 por el economista e ingeniero de control de la London School of Economics A.W. Phillips (320)
La primera aplicación conocida de ecuaciones de dinámica de sistemas al sistema económico tuvo lugar en 1933, aunque eran bastante limitadas y nada útiles (321). Poco más tarde el sociólogo e ingeniero de control, y después economista de la London School of Economics, William Phillips, estableció con mucho más éxito las ecuaciones (no lineales) que estaban en la base de la máquina Newlyn/Phillps, descrita en un post anterior de esta misma serie (322). Phillips estableció en 1954 las condiciones bajo las cuales se puede estabilizar una economía mediante reguladores PID[3] (323). Viendo que el asunto era más complicado de lo que había imaginado, especialmente por la mayor influencia de los retardos, Philips corrigió sus conclusiones en 1957 (320). Después vino World3 y Los Límites del Crecimiento en 1972, y un sucesor regionalizado en 1974 (324). Y después mucho silencio.
Pero en las contadas ocasiones en que la metodología de la dinámica de sistemas ha sido aplicada a la pura economía estándar se han producido algunos resultados sorprendentes (306). Por ejemplo, se ha podido observar cómo en el famoso modelo integrado económico-climático (Integrated Assessment Models, IAM) DICE[4] de William Nordhaus, icono y base de la política climática mundial, no se cumple el principio elemental de la conservación de la masa, y no hay manera de hacerla cumplir sin entrar en contradicción o severa restricción con alguna de las demás ecuaciones (325,326). Además este tipo de modelos tampoco son ergódicos[5] – como señaló acertadamente Stephen Schneider, de la Universidad de Stanford, ya en los 1990 (327) – propiedad que resulta ser una condición necesaria de validez. Luego están todos mal de raíz. Por tanto, espero que el empleo de DICE para deducir de ahí el coste social del carbono, o para deducir incluso la temperatura del planeta en el siglo XXIII (sí, 23) (244), como pretenden tantos economistas neoclásicos infiltrados en el terreno climático, sea pronto visto como un error histórico, cuando no como una memez incomprensible e insoportable.
También se ha visto que en los modelos keynesianos la inversión no se acumula en parte alguna (328). Luego están mal, lo que dio origen a las escuelas poskeynesiana (329,330) e institucional (331). Otros practicantes económicos han reformulado la teoría económica de Adam Smith en términos de dinámica de sistemas (332), así como la teoría del comercio internacional de Hicks (333) y hasta la teoría del crecimiento de Solow, con resultado desigual (334). Pero está meridianamente claro que el núcleo duro (hardcore) de la economía neoclásica es de todo punto incompatible con las leyes de la termodinámica (335) mientras que, en la dinámica de sistemas, estas leyes están implícitas – pues siempre es posible expresar (reducir) sus ecuaciones en (a) términos energéticos[6].
En 1980 James Forrester, el padre del modelo World3, elaboró en su entusiasmo sistémico un modelo de la economía estadounidense del que dedujo distintas dinámicas en forma de ciclos superpuestos (336) que años más tarde retomó John Sterman, también en el Sloan Management Institute del MIT (337). Forrester fue inmediatamente vilipendiado desde Yale (donde está Nordhaus) en un claro movimiento de defensa corporativa por parte de los neoclásicos (338,339) para quienes la realidad parece más una molestia que un marco irrenunciable.
Dios en el mercado
Y es que los economistas creen que el mercado es Dios. No lo tome a broma que se lo digo literalmente. Los fundamentalistas cristianos made in USA, que ocupan muchas más posiciones de poder de las que parece (340), y de los que nunca se habla, pero que acaban de tomar el control del senado de ese país, han teorizado la Christian Economics cuya doctrina, oh casualidad, coincide con el ultraliberalismo más extremo (341). Jesus hates taxes![7], afirman (342). Si non è vero, è ben trovato. Entre otras lindezas sostienen que la presencia de Dios entre nosotros es real y que la prueba la tenemos en el mercado, que es por donde se expresa. Por tanto, ya tiene en cuenta las leyes de la termodinámica y todo lo que haga falta, e imagino que si no le gustaran las cambiaría. A eso se deben referir los economistas menos teocráticos cuando hablan de fallos de mercado.
Porque fíjese qué cosas tiene la teoría económica ortodoxa. Los actores del mercado pueden ser rematadamente idiotas (zero-intelligence) que éste es tan sabio y todopoderoso que todo lo compensa. Esto no crea que lo publican en la hoja dominical: lo hacen en una publicación académica peer-reviewed, en una sede bien formal de su mundo alternativo, la Journal of Political Economy. Nada menos que el neoclásico Gary Becker, de la Escuela de Chicago (343,344). ¿Para qué necesitábamos entonces la Ilustración si ya teníamos a Dios entre nosotros?
Pero John Sterman, el que más ha analizado las dificultades de percepción humanas en relación a las dinámicas sistémicas, ha demostrado también que el mercado, efectivamente, corrige algunas dificultades de percepción de los lazos de realimentación. Sí, pero sólo parcialmente, no lo suficiente. El error se mantiene (345). El Todopoderoso no debe pues de andar por ahí.
El caso es que la dinámica de sistemas es ignorada olímpicamente por los economistas mainstream, sean éstos del Banco Mundial o del Fondo Monetario Internacional o de Goldman Sachs (y después ministros) o de la London School of Economics (con la notable excepción actual de Richard Lane, pero no de Nicholas Stern, el del famoso informe, para quien el problema climático se resuelve a base de crecimiento y unas pocas monedas). O de la mismísima ONU, cooptada esta última por los modelos de crecimiento tipo Solow, desconocedores de todo límite (346) y que confían en la desacreditada ‘curva medioambiental de Kuznets’[8] (347,348) para, entre otras ventajas, no incomodar a los países menos desarrollados (349). Solow sostenía, y le dejaban decir y publicar, y lo siguen enseñando en las facultades, y muchos le siguen creyendo, que el mundo se las puede apañar sin recursos naturales (350). Cada vez que recuerdo esto tengo que mirar de nuevo el original, pues me parece inaudito que se haya podido decir, y mucho más que se pueda tomar en serio e incluso enseñarlo, y publicarlo, y seguir enseñándolo hoy en día en la Universidad no como historia, sino como verdad.
Mire qué decía al respecto, ya en 1973, E.F. Schumacher, de la Oxford University, en su Small is Beautiful: Economics as if People Mattered[9]:
“Si el economista … no es consciente del hecho de que hay contornos a la aplicabilidad del cálculo económico es probable que caiga en un tipo parecido de error al de ciertos teólogos medievales que trataban de justificar hechos físicos mediante citas bíblicas. Cada ciencia es beneficiosa dentro de sus propios límites, pero se convierte en maldad destructiva en cuanto los transgrede.” (351)
Pero nada. En el ámbito de la teoría económica las únicas excepciones a todo esto que le estoy diciendo son 1) las muy minoritarias y académicas escuelas de la complexity economics, conocida precisamente por su mejor poder predictivo (352,353), que arrancó alrededor del año 2000; y 2) una parte de la ecological economics todavía en infancia académica por inanición (354), a pesar de sus más de cien años de existencia informal y más de treinta formal. En el terreno práctico he encontrado una consultora que si había previsto que el crash del 2008 tendría lugar en 2008[10] (355). ¿Sabe qué tipo de ecuaciones emplea? ¡Diferenciales respecto al tiempo! (356).
Porque los modelos económicos estándar, como le he dicho, no contemplan la variable tiempo. Las únicas (y modestas) incursiones en este sentido se han limitado a incorporar la teoría de juegos (buscando el ‘equilibrio de Nash’), técnica que ahora entusiasma a parte de la profesión pero que sus propios especialistas cuestionan de manera fundamental (357), junto a los modelos basados en agentes, que simulan el funcionamiento a corto plazo de los mercados. No es mi propósito entrar aquí en detalles sobre la falta de correspondencia de estos modelos con la realidad, más allá de insistir en algunas cosas que no tienen en cuenta y que son relevantes para la motivación de este texto, como son la ausencia o minimización de los límites y la inexistencia de condiciones de contorno. Pero me voy a permitir unos párrafos adicionales en este sentido, que aportan una mayor perspectiva sistémica.
Las ecuaciones que describen el sistema económico, las que les enseñan a los economistas en primero de carrera y cursos sucesivos, están basadas en la mecánica newtoniana, más concretamente en las ecuaciones de Euler y la mecánica de Lagrange. Filosóficamente adopta el denominado positivismo. De esta forma pudo la economía política pasar a denominarse ciencia económica a finales del siglo XIX, de la mano de los marginalistas que comenzaron a emplear el cálculo diferencial considerando a cada ser humano una partícula individual que interactúa con las demás como si fueran bolas de billar[11]. La resolución de este sistema de ecuaciones, o ecuaciones simultáneas, debería informarnos de los entresijos del sistema económico, ver cómo se desarrollan las cosas y poder actuar sobre él.
Naturalmente las ecuaciones de partida deben responder a la realidad observada, a hechos reales, pues de otra manera, por mucha habilidad en técnica matemática con la que haya sido yo agraciado, no pasará de ser un mero ejercicio mental dado que, en estas circunstancias, los resultados tampoco responderán a la realidad. Y si los doy por ciertos, siquiera por aproximación, estoy corriendo un grave riesgo (para mis semejantes).
He ahí el primer hándicap. Describir matemáticamente el comportamiento humano, siquiera en su estricta vertiente económica, es virtualmente imposible desde la perspectiva reduccionista (y discutible desde la sistémica, pero menos). Para salvar este inconveniente hay que efectuar una serie de simplificaciones. De hecho todos los economistas son conscientes de este tipo de restricción en sus modelos.
Aparece un segundo hándicap cuando uno se da cuenta de que las ecuaciones más creíbles, aún con esas simplificaciones, resulta que no son resolubles, no son ‘tratables’ matemáticamente por mucha gimnasia mental que se realice. Se demuestra que no son resolubles analíticamente, y sólo muy ocasional y recientemente hacen uso de métodos numéricos por ordenador. Para salvar este nuevo inconveniente los economistas han aplicado ahí un nivel adicional de simplificación.
El tercer nivel de simplificación aparece cuando hay que asegurarse de que el resultado de las ecuaciones presenta un estado de equilibrio: el actual, porque así nos lo dicen nuestros sentidos. Equilibrio en precios, en expectativas, etc. De modo que si este equilibrio no aparece tendré que modificar las ecuaciones de partida para que aparezca sí o sí. Las modificaré, ajustaré, incluiré coeficientes de fricción, y esas cosas. De esta forma se ha acabado en el ingenio más elaborado: el Dynamic Stochastic General Equilibrium Model, o DSGEM, que emplea el Banco Central Europeo (358) y el Fondo Monetario Internacional (359). No crea que lo de dinámico tiene demasiado que ver con nuestro tema. Naturalmente el modelo está en un supuesto equilibrio, y si le llaman dinámico es porque le dan la posibilidad de alejarse momentánea pero sólo ligeramente de ese equilibrio, y ver qué ocurre. Pero recuerde que una cosa es modelar un sistema sociotécnico y ver cuáles son sus (eventuales) estados de equilibrio y otra suponer porque sí que ya está en equilibrio, que debe estar en un extraño equilibrio exponencialmente creciente, y empezar a hacer magníficas matemáticas teóricas a partir de ello. Viene a ser como describir el sistema solar con gran aparato formal partiendo de la suposición evidente de que el sol gira alrededor de la Tierra.
Al final los economistas deben ser, tras los de exactas y tal vez los telecos y los automáticos, los más virgueros en habilidades matemáticas de todas las profesiones que en el mundo son. Otra cosa es que todo eso nos sirva para algo. ¿Sirve? Veamos.
De pronto aparecen hechos sorprendentes, algunas contradicciones. No le mareo con todas, que son muchas. Pues resulta que el equilibrio obtenido 1) sólo se da bajo ciertas condiciones, y 2) no es único.
En los años 70 tres matemáticos lograron demostrar que este equilibrio ¡no es único! Las ecuaciones presentan una multiplicidad de estados de equilibrio. Es el denominado teorema de Sonnenschein, Mantel y Debreu, o teorema SMD (360). Podemos invocar aquí la mano invisible de Adam Smith: ¿a qué estado conduce de todos los posibles?
Pero lo más importante es lo primero: estas condiciones para el denominado equilibrio competitivo no se cumplen en la realidad ni de broma. ¿Por qué entonces estas ecuaciones siguen fascinando a los economistas, enseñándose en las facultades e influyendo las políticas? La respuesta podría encontrarse en el terreno psicológico. El equilibrio competitivo de una economía en crecimiento que estas ecuaciones irreales revelan resulta filosóficamente tan atractivo a estas personas que desearían que el mundo se comportase así, y este deseo acaba superando al más básico de comprender cómo funciona el mundo en realidad. Esta fascinación es tan poderosa que ofusca a muchos economistas teóricos el razonamiento lógico hasta el punto de no distinguir correctamente entre condiciones necesarias y suficientes, y llevarles a abandonar la cuestión de la estabilidad de los equilibrios (361). Y a difuminar el examen atento del contorno correcto de análisis, el auténtico marco de existencia.
Todo esto es posible que a usted le cueste creérselo, como a mí me ocurrió cuando comencé a sospecharlo. Pero yo le aseguro que es así y le estoy ofreciendo referencias académicas serias donde puede contrastar lo que le estoy diciendo (362–364), que son resultado de lo que me ha costado llegar por mí mismo a estas conclusiones, que había visto en otros. Esto es así, y lo inaudito es que sea realmente así y que el mundo esté funcionando en base a esto. Bueno, al menos por ahora. Por poco tiempo, seguramente.
¿Totalitarismo científico?
Para mí, lo más importante es que todo esto sólo funcionaría (si acaso, aunque seguramente ni así) si usted y yo nos comportamos, siempre, como auténticos homo economicus (con la consecuencia cierta de perder todos los amigos). Y la condición más molesta es que todas las personas tengamos el mismo tipo de preferencias.
A partir de los años 70 comenzaron a incluirse las denominadas expectativas racionales de futuro (365), que se basan en considerar que el mercado es lo más eficiente que hay, dando así por cierta la denominada efficient market hypothesis. El problema de estas expectativas racionales es que no soportan la segunda iteración. Cuando un agente se ve en la necesidad de realizar expectativas sobre las expectativas de otros, el edificio se derrumba. Aparece la inestabilidad (366). Pero esta hipótesis se sigue dando por válida y hasta le dieron hace poco el premio Nobel a Eugene Fama, que fue quien la formuló.
Pues este tipo de modelos, con todas estas limitaciones que tanto los alejan de la realidad, han sido los empleados en política económica y en el sistema financiero desde hace muchas décadas, y lo siguen siendo en nuestros días. Y así nos va. En entradas anteriores hemos visto cómo la environmental economics considera cómo todo el mundo, naturaleza y espacio sideral, se encuentra bajo la égida económica neoclásica (o sea capitalista). Algunos encuentran aquí un aspecto totalizante, totalizador.
Así pues, queriendo o no, si uno, junto a la clase política, cree en estos modelos como herramientas válidas de ayuda y desea controlar el sistema económico (y por tanto la sociedad) como pretenden políticos y economistas, supongamos de buena fe, una condición previa es que los humanos adoptemos un funcionamiento que sea acorde con las ecuaciones de partida. Después tampoco acaba funcionando, como sabemos por la experiencia, porque las ecuaciones están mal, son simplificaciones excesivas. Pero esta situación provoca que, en términos culturales, nuestro homo economicus resulte implícitamente premiado. Sistemáticamente, digamos. Esto lleva a fomentar el individualismo, a desincentivar la cooperación y a promover una ética de la competitividad no ya entre países u otras organizaciones, sino también, y sobretodo, entre personas. Estas ‘necesarias’ características se convierten así en el objetivo implícito del sistema. No se ve, porque viene de muy atrás, y porque estamos dentro y resultamos así condicionados en la percepción. Pero está, y hay gente a la que le viene muy bien que las cosas sean así.
¿No es esto totalitarismo?
Law and economics

John M. Olin y esposa en acción
El invento por excelencia de esta corriente triunfadora fue el concepto denominado Law and Economics, asalto académico a las facultades de economía y derecho, y de rebote a toda la Universidad protagonizado y financiado por John M. Olin cuya fundación, según sus hagiógrafos ‘cambió América’. Cazador, fabricante de armas y de papel de fumar, con lo que hizo gran fortuna, John M. Olin financiaba a la CIA a través de una oscura organización denominada Vernon Fund en tiempos del macartismo (367). Pero John M. Olin hizo mucho más que esto. Inundó de dinero las universidades de los Estados Unidos generando la ‘counterintelligentsia’ conservadora desde Chicago y Yale hasta que se extendió a Stanford, Columbia y el resto.
Esto de la law and economics no significa otra cosa que, a la hora de hacer leyes, el legislador debe tener en cuenta, además de la justicia, el impacto económico de las medidas. Es así literalmente como ellos lo definen, y hasta lo bautizan de ética consecuencialista, que no es otra cosa que el fin justifica los medios. De modo que como usted ya sabe que una función sólo se puede maximizar por una de sus variables, y no por dos a la vez, queda claro que quien va a sufrir va a ser la justicia, que será suplantada por una nueva ética ex-post. Ellos lo tienen claro: esta escuela de pensamiento, que se ha impuesto por doquier, considera que las instituciones legales no están fuera del sistema económico, sino que son variables inherentes al sistema económico. Luego como tal hay que tratarlas (368). Utilitariamente, se entiende. Si de paso me invento un teorema según el cual lo mejor es que el gobierno no interfiera, pues magnífico. Los muchachos de Chicago hicieron los deberes, y a Ronald Coase le dejaron publicar un teorema que justificaba la no intervención del poder público en la economía[12] para darle más tarde el premio Nobel con el fin de solidificar un poco ideas tan vaporosas. De esta forma consiguieron subvertir el espíritu de las leyes, sustituyendo las consideraciones morales (o al menos una parte de ellas) por criterios económicos de maximización.
¿Y esto no es totalitarismo?
Finalmente, volvamos a la termodinámica. Como he señalado anteriormente, la termodinámica resulta ser, al cabo, un componente fundamental del sistema económico (y de la civilización) incluso más allá de lo imaginado por los primeros economistas entrópicos. La visión más actual y prometedora, desde el punto de vista científico, es la ya descrita que considera a la economía como un sistema termodinámico disipativo cerrado auto-organizado, que se encuentra lejos del equilibrio, y que evoluciona metabólicamente a base de dispersar energía (369–371 todos ellos de origen europeo) y es analizable en términos de la dinámica de sistemas. Todo ello, de forma muy destacada, en base a los trabajos del belga Ilya Prigogine en los años 70 (372).
Negacionismo económico-dinámico
No sé si está lo bastante explícito en el texto, pero lo verá más claro en las referencias si tiene paciencia. Uno advierte inequívocamente cómo, desde mitad de los años 70, la metodología de la dinámica de sistemas aplicada a distintos ámbitos climáticos, económicos, sociales… ha sido desarrollada en Europa (no mucho, por otra parte) y muy poco en los Estados Unidos. Y es que este ámbito sistémico podría haber dejado de ser tomado en consideración, o sea financiado, por la investigación pública de ese país (373) y resultar limitada en el resto del mundo por un cierto efecto de contagio. El comienzo del quasi-silencio en los Estados unidos coincide con la publicación de LLDC en 1972 y con sus correspondientes negaciones organizadas. Primero fue el macartismo, y son ahora, desde los 70, las grandes empresas y los free-market think-tanks[13], con técnicas más refinadas y menos descaradas, quienes parecen empeñados en insertar controladores en múltiples ubicaciones del sistema socioeconómico que, de paso, controlen nuestra percepción del sistema social.
En todo caso esta hipótesis, que también sugiere Ugo Bardi (374), bien merecería una tesis doctoral que la confirme o desmienta. Yo no me atrevo hoy por hoy a afirmar más que la simple sospecha de mero conocedor con cierta profundidad de cómo se las gasta el negacionismo en general, como saben los lectores asiduos de este blog.
En la próxima entrada veremos qué influencia tuvieron estas fuerzas en el negacionismo hacia LLDC.
Examinar referencias
Notas al pie
[1] Esta economía no es computable (375) … La economía necesita una revolución científica (221)
[2] Aquí un paper introductorio pensado para físicos en proceso doctoral (316), pues en el currículum regular de los licenciados en esas ciencias no se lo enseñan
[3] Regulador PID: Proporcional – Integral – Derivativo
[4] DICE: Dynamic Integrated Climate Economy model
[5] Sistema ergódico: Un sistema es ergódico si el único conjunto invariante de medida no nula de la hipersuperficie de energía constante del espacio de las fases es toda la hipersuperficie de energía constante (377)
[6] Hay un único intento (que yo conozca) de hacer creer que el mercado ya tiene en cuenta las leyes de la termodinámica que resulta un tanto rebuscado y muy forzado y duro de redacción. Su título es Thermodynamics on Main Street: When entropy really counts in economics (378)
[7] ¡Jesús odia los impuestos!
[8] Según Kuznets, el proceso de enriquecimiento de un país permite, a partir de cierto punto, disminuir el impacto ambiental. Pero su análisis, aparte de ser una ficción estadística (347) no se cumple ni para todos los contaminantes – ej: CO2 – ni en todos los países. Ni además, allí y en los contaminantes donde se cumple, es porque los exporta a otros países. Finalmente, aun cuando fuera cierta, el máximo se produciría en todo caso demasiado tarde (379)
[9] Lo pequeño es bello: economía como si la gente importara
[10] Niño Becerra también acertó bastante
[11] Pero, muy importante, no se influyen mutuamente desde el punto de vista de su comportamiento futuro, es decir, no hay realimentación entre las personas
[12] Este ‘Coase theorem’ no se lo creen ni ellos, porque las exigencias para su cumplimiento son tan exigentes que son de todo punto irreales. Para que se cumpla es preciso, entre otras cosas, que seamos todos homo economicus, que todos tengamos información perfecta (de los precios presentes y futuros), que los mercados sean de competencia perfecta y que no haya costes de transacción. A pesar de ello ocupa una posición de privilegio en la base argumental del contramovimiento desregulador y antiestatista
[13] Institutos de opinión promotores del libre mercado
Índice de la serie y enlaces a capítulos


A un nivel más de la calle, basado en las opiniones de personas de un entorno no tan intelectual pero sin duda influenciado por los pensadores que citas, a veces yo también escucho lo de la «autorregulación del mercado». Esta idea se tiene por fundamental, casi como si fuera ley de la Naturaleza. Y los que piensan así, se suelen declarar «escépticos» a los modelos que introducen límites al sistema y se agarran al clavo ardiendo de los argumentos absurdos y cien veces refutados de los líderes negacionistas, por pura ignorancia. Por desgracia, el cambio de forma de pensar no es sencillo ya que la visión personal del mundo está bastante arraigada en todos nosotros.
Yo pienso que poco a poco está cambiando la economía neoliberal, basada en la avaricia y en la envidia, como apuntaba Schumacher, pretendiendo que todos debemos ser así para que funcionen sus ecuaciones de mierda. Ser solidario no implica renunciar a las aspiraciones personales, ¡al contrario para tantísima gente!
Excelente artículo, Ferrán, da gusto leer !
Me gustaMe gusta
¡Feliz Año Nuevo!
Me gustaMe gusta
Genial artículo. No es que haya una mente malvada que conspira para crear el sistema. El sistema lo tenemos todos dentro como marco cultural. Queda clarisimo en este articulo como las teorías económicas convertidas en filosofía han moldeado la sociedad en qué vivimos hoy.
Me gustaMe gusta
Celebro que hayas captado la esencia del asunto como yo lo veo.
Me gustaMe gusta