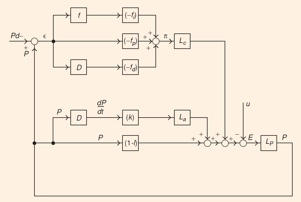
Sistema de control PID del sistema económico diseñado en 1957 por el economista e ingeniero de control de la London School of Economics A.W. Phillips (320)
¿Hasta qué punto es inminente el colapso de la civilización actual? – 6. Aplicaciones de la dinámica de sistemas a la economía » The Moniac A Hydromechanical Analog Computer of the 1950s
Apoyos de la comunidad científica al buen hacer de este blog
En ocasión de la censura temporal que Facebook impuso a este blog, personas muy relevantes de la comunidad científica del clima afirmaron su valor y el rigor con el que aquí se procede.
A su vez, más de una cincuentena de personalidades apoyaron una Declaración al respecto. La emisión masiva de esta declaración, por ejemplo aquí, llevó a Facebook a levantar su veto.
-
Únete a otros 1.613 suscriptores
Primer premio Fundación Biodiversidad
Este blog ha sido agraciado con el 1r Premio de la Fundación Biodiversidad en la categoría de comunicación del cambio climático - blogs (convocatoria 2010)
Categorías
Els meus preferits
Peor de lo esperado
Por qué, probablemente, usted no se lo cree
Por qué sabemos que el CO2 de los combustibles fósiles es el causante del calentamiento global
Por qué no se debe debatir con la negacionía
¿Estamos a tiempo de evitar la disrupción climática? ¿Qué es lo que, realmente, habría que hacer?
Ellos lo sabían
La certeza matemática del 5º C del Titanic
El Problema de la Verdad Climática
¿Escépticos? ¿O negacionistas?
Niños: fumad y escalfaos, que así os ultraliberaréis
La ciencia, a la defensiva
Disciplinas científicas abrazadas por la ciencia del cambio climático
Las credenciales de Hill & Knowlton, la agencia de PR de la cumbre de Copenhague
‘El gran timo del calentamiento global’, el engaño más eficaz del negacionismo y su eco en Telemadrid
La corrección política en cambio climático: del negacionismo al optimismo de la voluntad
La soportable levedad de Anthony Giddens, o la importancia de la corbata
Uriarte: “El cambio climático es el gran engaño de comienzos de este siglo XXI”El imperativo de encontrar respuestas adecuadas
La humanidad se encuentra frente a una de las mayores disyuntivas que cabe imaginar. El sistema climático terrestre parece haber sido definitivamente desestabilizado, mientras la inmensa mayoría de la población vive ajena a un fenómeno llamado a marcar nuestras vidas de forma determinante y abrumadora. Comunidad científica, medios de comunicación y clase política se encuentran aturdidos por el fenómeno y sin respuestas adecuadas a la magnitud del desafío. Cuando las élites fracasan, es la hora de la gente.
'If the people lead, the leaders will follow'
Google translation
Blogroll
- Asociación Touda
- Autonomía y Buen Vivir
- Blog de Cristina Ribas (ACCC)
- Blog sostenible
- Blog Sostenible
- Buena María
- CC noticias
- Colectivo Burbuja
- Comités ciudadanos
- Comunica Cambio Climático
- Comunica Cambio Climático
- Crisis Energética
- Crisis planetaria
- Cuenca Siglo XXI
- Cuentos climáticos
- De Legos a Logos
- Ecos
- El Clima del Clima
- El gato en el jazmín
- El Periscopio
- Florent Marcellesi
- Fundación Biodiversidad
- Impulso Verde
- Jesús Rosino
- La encrucijada sistémica
- Los monos también curan
- Novela de Eva López García
- Observatori de Ciberpolítica
- Psicología Ambiental
- Sera Huertas
- The Oil Crash
- Tratar de comprender
- Voces contra el Cambio Climático
Política de comentarios
Contactar con Usted no se lo Cree
kassandraandrews@gmail.com
Conferencias
Acción: Encuentra tu espacio en un mundo menguante - Asamblea General de Andalucía, Ecologistas en Acción - Córdoba, 26/09/2015/
¿Hasta qué punto es inminente el colapso de la civilización actual? - Curso de verano "Vivir (bien) con menos. Explorando las sociedades pospetroleo" - Universidad Autónoma de Madrid, 02/09/2015
Más allá de los informes de IPCC - Curso de Postgrado - Universidad Camilo José Cela 18-19/06/2015/
The duties of Cassandra - International Climate Symposium CLIMATE-ES 2015 - Tortosa, 13/03/2015/
Fins a on es pot mantenir el creixement? - Invitat pel Club Rotary Badalona, 09/02/2015/
Les tres cares del canvi climàtic - La Calamanda, Biblioteca de Vinaròs, 25/03/2015
Hasta qué punto, y por qué, los informes del IPCC subestiman la gravedad del cambio climático - La Nau, Universitat de València, 18/11/2013/
Pseudociència i negacionisme climàtic: desmuntant els arguments fal·laciosos i els seus portadors - Facultat de Ciències Biològiques, Universitat de Barcelona, 22/05/2013
Canvi climàtic: el darrer límit – Jornades “Els límits del planeta” - Facultat de Ciències Biològiques, Universitat de Barcelona, 16/04/2013
El negacionisme climàtic organitzat: Estructura, finançament, influència i tentacles a Catalunya - Facultat de Ciències Geològiques, Universitat de Barcelona, 17/01/2013
El negacionisme climàtic organitzat: Estructura, finançament, influència i tentacles a Catalunya – Ateneu Barcelonès, 16/11/2012
Organització i comunicació del negacionisme climàtic a Catalunya – Reunió del Grup d’Experts en Canvi Climàtic de Catalunya – Monestir de les Avellanes, 29/06/2012
Cambio climático: ¿Cuánto es demasiado? + Análisis de puntos focales en comunicación del cambio climático – Jornadas Medios de Comunicación y Cambio Climático, Sevilla, 23/11/2012
El impacto emocional del cambio climático en las personas informadas - Centro Nacional de Educación Ambiental, Ministerio de Agricultura y Medio Ambiente, Valsaín (Segovia), 06/11/2012Ètica econòmica, científica i periodística del canvi climàtic – Biblioteca Pública Arús, Barcelona, 19/09/2011
La comunicación del cambio climático en Internet – Centro Nacional de Educación Ambiental, Ministerio de Agricultura y Medio Ambiente, Valsaín (Segovia), 06/04/2011El negacionismo de la crisis climática: historia y presente - Jornadas sobre Cambio Climático, Granada, 14/05/2010
Internet, la última esperanza del primer “Tipping point” – Centro Nacional de Educación Ambiental, Ministerio de Agricultura y Medio Ambiente, Valsaín (Segovia), 14/04/2010


Comenta cuando quieras